Minu konto
  • Tellimused
  • Minu lemmikud
Logi sisseRegistreeru kliendiks
Unustasid salasõna?
Loo uus konto

5333 3601  E-R 09-16 | [email protected]

Korv on tühi
Korv on tühi
Vaata ostukorvi
Vormista tellimus
  • Menüü
  • Ehitusmaterjalid
    • Katusekatted
      • Läbipaistvad plaadid
      • Bituumen-laineplaadid
      • Katuseplekk ja tarvikud
      • Katusekivid ja tarvikud
      • Eterniit ja tarvikud
      • Sindelkatus / kärgkate
      • Rullmaterjalid SBS ja PVC
      • Katuseaknad
      • Vihmaveesüsteemid
      • Ohutustooted, redelid
      • Läbiviigud, tuulutuselemendid
      • Varikatused
    • Müürimaterjalid
      • FIBO kergplokid
      • BAUROC plokid
      • Tellised WIENERBERGER
      • Tellised Kesk-Euroopast
      • Tellised LODE
      • Šamott-tellised/plaadid
      • Silikaattellised
      • Betoonplokid ARC Stone
      • Betoonplokid STONEROC
      • TermoPlokk (REIDEN)
      • EPS elemendid BENDERS
    • Segud / pahtlid
      • Segud WEBER
      • Segud UNINAKS
      • Segud SAKRET
      • Segud CERESIT
      • Segud KNAUF
      • Kaubabetoon
      • Saaremaa lubjatooted
      • Ahjutellised ja -segud
      • Krohvid, mördid, värvid, pahtlid
    • Soojustus, isolatsioon
      • Kivivill
      • Klaasvill
      • EPS - vahtpolüstüreen
      • XPS, IKO, KINGSPAN, FINNFOAM
      • Auru- ja niiskustõkked
      • Ehituspapp, ehituspaber
      • Torukoorikud
      • Vundamendi isolatsioon
      • Radoonitõkked
      • Isolatsioonimatid
    • Ehitusplaadid
      • Kipsplaadid
      • OSB plaadid
      • Puitlaastplaat (puitkiudplaat)
      • Vineer ja filmivineer
      • WEDI ehitusplaadid
      • Tsementplaadid
      • ISOTEX plaadid
      • Puitkiudplaadid ISOPLAAT
      • MDF puitkiudplaadid
    • Puit
      • Saematerjal
      • Sisevoodrilauad
      • Välisvoodrilauad
      • Immutatud puit
      • Höövellauad
      • Konstruktsioonipuit
      • Liimpuitkilbid
      • Terrassilauad
      • Põrandalauad
      • Saunamaterjalid
      • Kertopuu
    • Plasttooted
      • Polükarbonaat (PC)
      • Laineplaadid (PC ja PVC)
      • Neular tooted
      • Vihmaveesüsteemid PLASTMO
      • Polüstereen ja Plexiglas®
      • Vaht PVC plaadid
      • Montaažiklotsid ja -torud
    • Metall
      • Klaasfiiber armatuur
      • Kinnitusvahendid
      • Kipsikarkass
      • Alumiinium-detailid
      • Armatuurteras (latt)
      • Armatuurvõrk
      • Taldmikuvormid
      • Kantraud
      • Armatuurikandurid
      • Kruvivundament
      • Krohvivõrgud
    • Fassaad ja vundament
      • Voodrilauad CEDRAL
      • Välisvoodrilauad
      • Fassaadi- ja sokliplaadid
      • Fassaadi krohvimine
      • Fassaadi värvimine
      • Plaatvundament
      • Vundamendi isolatsioon
      • Soojustamine
    • Teekatted
      • Tänavakivid (betoon)
      • Klinkertänavakivid
      • Mururestid - murukivid
      • Geotekstiil
      • Jalapühkimisrestid
      • Täiteained
      • Sademevee ärajuhtimine
      • Liivatuskonteinerid
    • Ehituskeemia
      • Värvid
      • Niiskustõkked ja krundid
      • Hermeetikud ja silikoon
      • Liimid ja teibid
      • Mastiksid
      • Püstolivaht
      • Lakid ja põrandaõlid
      • Puhastid-lahustid
      • Määrded
    • Elektrimaterjalid
      • Lülitid ja pistikud SIEMENS
      • Valgustid
      • Elektrikaablid
      • Paigaldustorud
  • Viimistlus / aknad-uksed
    • Põrandakatted
      • Laudparkett (nat.)
      • Spoonparkett
      • Laminaatparkett
      • Põrandalauad
      • Vinüülparkett LVT
      • Korkparkett
      • PVC põrandakatted
      • Aluskatted
      • Porimatid
      • Põrandaliistud
      • Keraamilised plaadid
      • Jalapühkimisrestid
      • Lakid ja põrandaõlid
    • Keraamilised plaadid
      • Keraamilised plaadid
      • Looduskivi
      • Mosaiigid
      • Klaasplokid
      • Plaadisegud
    • Laematerjalid
      • Ripplae plaadid
      • Ripplae karkass
      • Ripplae valgustid
      • Laeplaadid ISOTEX
      • Dekoratiivsed laeplaadid
    • Aknad
      • Katuseaknad VELUX
      • Kardinad VELUX
      • Lamekatuseaknad VELUX
      • Suitsueemaldusaknad VELUX
      • Väljapääsuaknad VELUX
      • Päikesetunnelid VELUX
      • Katuseaknad FAKRO
      • Aknalauad
    • Uksed
      • Siseuksed
      • Välisuksed
      • Metalluksed
      • Saunauksed
      • Garaažiuksed
      • Pööninguluugid
      • Tuletõkkeuksed
      • Jalapühkimisrestid
      • Seinaluugid
      • Lävepakud
    • Keemiakaubad
      • Värvid
      • Teibid
      • Liimid
      • Niiskustõkked ja krundid
      • Püstolivahud
      • Silikoon
      • Hermeetikud
      • Mastiksid
      • Kodukeemia ZEP
      • Betoonilisandid-puhastid
      • Määrded
      • Lahustid
      • Lakid ja põrandaõlid
  • Tööriistad
    • Käsitööriistad
      • Trellid
      • Saed
      • Lihvijad
      • Höövlid ja freesid
      • Mõõteriistad
      • Töölambid
      • Föönid
      • Liimipüstolid
      • Survepesurid
      • Isikukaitsevahendid
    • Tööriistad
      • Lauakäiad
      • Paksusmasinad
      • Höövelpingid
      • Puru- ja laastuimurid
      • Segumasinad
      • Plaadilõikurid
      • Saepingid
      • Talid
      • Freespingid
      • Kruustangid
    • Aiatööriistad
      • Aiatraktorid
      • Muruniidukid
      • Mullafreesid
      • Mootorsaed
      • Oksapurustajad
    • Agregaadid
      • Generaatorid
      • Kompressorid
      • Keevitus
      • Akulaadijad
      • Pumbad
    • Redelid ja tellingud
      • Redelid
      • Tellingud
      • Tellingu katted
  • Kodu ja sisustus
    • Mööbel
      • Vannitoa mööbel
      • Köök ja elutuba
      • Magamistoa mööbel
      • Kontoritoolid
      • Esik ja garderoob
    • Puhastus
      • Pesumasinad
      • Robottolmuimejad
      • Tolmuimejad (veeimurid)
      • Autopesu
      • Kodukeemia
    • Kodutehnika
      • Miniköögid
      • Köögihundid
      • Espressomasinad
  • Santehnika / saun
    • Saun
      • Elektrikerised
      • Juhtimisseadmed
      • Puukerised
      • Kütteelemendid
      • Sauna isolatsioon
      • Infrapunasaunad
      • Saunauksed
      • Aurusaunad
      • Saunalavad ja tarvikud
      • Aurusauna moodulid
      • Aurusauna uksed
      • Saunakaevud
    • Dušid
      • Dušinurgad
      • Dušiseinad
      • Dušiuksed
      • Dušisüsteemid ja -segistid
      • Dušialused ja sifoonid
      • Dušikabiinid
      • Duširennid
      • Põrandatrapid
      • Duši põranda astmed
      • Lisatarvikud Duschy
    • Valamud ja segistid
      • Köögivalamud
      • Vannitoa valamud
      • Segistid tasapinnale
      • Segistid seinale
      • Segistid põrandale
      • Põhjaklapid
      • Köögihundid
      • Sifoonid valamutele
    • Vannid
      • Massaaživannid
      • Kivivannid
      • Plastikvannid (akrüül)
      • Metallist vannid
      • Minibasseinid
      • Vanniseinad
      • Sifoonid vannidele
      • Põrandasegistid
    • WC potid ja septikud
      • WC põrandapotid
      • WC seinapotid
      • WC seinaraamid
      • WC loputuskastinupud
      • Bideed ja pissuaarid
      • Kuivkäimlad
      • Septikud
      • Reoveemahutid
      • Biopuhastid
    • Vannitoa sisustus
      • Vannitoa mööbel
      • Vannitoa peeglid
      • Vannitoa valamud
      • Aksessuaarid
      • Duširennid
      • Trapid
      • Käterätikuivatid
      • Pesumasina ühendused
  • Vesi / küte / vent
    • Elektriküte
      • Elektriboilerid
      • Elektriradiaatorid
      • Põrandaküttematid
      • Põrandaküttekaablid
      • Termostaadid
      • Päikesepaneelid
      • Soojuspumbad
      • Põrandaküttekiled
      • Infrapuna küttepaneelid ja -kiirgurid
      • Õhkkardinad
      • Jäätumiskaitse
      • Sissesõidutee küttekaablid
    • Tarbevesi ja küte
      • Põrandaküte UPONOR
      • Komposiittorusüsteemid
      • Quick&Easy-torusüsteemid
      • Hülsid UPONOR
      • Eelisoleeritud jaotusvõrk
      • Survetorud UPONOR
      • Maaküte UPONOR
      • Tööriistad UPONOR
      • Soojustusplaadid
      • Gaasitorud
      • DANFOSS tooted
    • Radiaatorküte
      • Radiaatorid PURMO
      • Elektriradiaatorid
      • Radiaatorid WiFi
      • Käterätikuivatid
      • Kütteveetorud UPONOR
      • Termostaadid - liitmikud
      • Teraspressliitmikud ja -torud
      • Kuulkraanid
    • Küttekolded
      • Ahjukivid ja -segud
      • Bullerjanid
      • Ahjud ja tarvikud
      • Kaminad ja tarvikud
      • Pliidid ja tarvikud
      • Kesküttekatlad
      • Puukerised
      • Infrapuna kiirgurid ja küttepaneelid
    • Väliskanalisatsioon
      • Väliskanal UPONOR
      • Drenaaž UPONOR
      • Kaevud UPONOR
      • Sademevee torud UPONOR
      • Sademevee rennid ACO
      • Sademevee kaevud ACO
      • Truubitorud
    • Ventilatsioon
      • Ventilatsiooni torud UPONOR
      • Maa-alune ventilatsioon UPONOR
      • Ventilatsioonitarvikud
      • Ventilaatorid
      • Ventilatsiooniseadmed
      • Konditsioneerid
    • Sisekanalisatsioon
      • Kanalitorud UPONOR
      • Trapid
      • Duširennid
      • UPONOR DECIBEL
    • Septikud ja mahutid
      • Septikud
      • Reoveemahutid
      • Biopuhastid
      • Suvila veepuhastus
    • Korstnad
      • Moodulkorstnad FIBO
      • Moodulkorstnad SCHIEDEL
      • Suitsutorud
      • Tuha- ja tahmaluugid
      • Suitsusiibrid
  • Aed
    • Kasvuhooned
      • KAARkasvuhooned
      • KLAASkasvuhooned
      • VIILKATUSEGA kasvuh.
      • MINIkasvuhooned
      • SUURED kasvuhooned
      • KILEkasvuhooned
      • Kihtplastik (PC)
      • Kinnitusvahendid (PC)
      • Kasvuhoonekiled
      • Kasvuhoonete lisavarustus
    • Aiamööbel
      • Mööblikomplektid
      • Moodulmööbel
      • Pehme aiamööbel
      • Aiatoolid ja -pingid
      • Lauad aeda
      • Lamamistoolid
      • Kiiged ja ripptoolid
      • Varjualused ja markiisid
      • Kastid ja tumbad
      • Garaažiriiulid
      • Grillmööbel
    • Teekatted
      • Sillutuskivid (betoon)
      • Klinkersillutuskivid
      • Geotekstiil
      • Teeparandussegud
      • Liivatuskonteinerid
      • Sademevee ärajuhtimine
      • Jalapühkimisrestid
    • Aiad ja väravad
      • Aiavõrk
      • Aiapaneelid
      • Aiapostid
      • Kinnitustarvikud
      • Väravad
      • Väravate automaatika
      • Dekoratiivaiad
      • Lippaiad
      • Varbaiad (kantraud)
      • Koeraaedikud
      • Kivikorvid
      • Aialindid
    • Haljastus
      • Muld / turvas
      • Väetised
      • Koorekate
      • Taimekasvatus
      • Aiakärud
      • Peenraäärised
    • Aiamajad ja garaažid
      • Aiakuurid
      • Autotelgid
      • Aiamajad
      • Lastemajad ja mänguväljakud
      • Garaažid
      • Koerakuudid
      • Kanamaja
      • Kioskid
      • Saunad
      • Küttepuude varjualused
    • Grillid ja tuleasemed
      • Söegrillid
      • Gaasigrillid
      • Suitsuahjud
      • Tuleasemed
      • Pitsaahjud
    • Aiatehnika
      • Aiatraktorid
      • Lumefreesid
      • Muruniidukid
      • Mullafreesid
      • Mootorsaed
      • Aiakärud
    • Jäätmemajandus
      • Prügikastid
      • Prügikonteinerid
      • Komposterid
      • Septikud
      • Reoveemahutid
      • Biopuhastid
    • Vaba aeg, sport ja meelelahutus
      • Batuudid
    • Terrassid
      • Neular terrassilauad
      • Puidust terrassilauad
      • WPC terrassilauad ja -plaadid
      • Reguleeritavad terrassijalad
      • Soojuskiirgurid
      • Varikatused
      • Kruvivundament
    • Varikatused, paviljonid
      • Varikatused
Avaleht/Santehnika / saun/Dušid/Põrandatrapid/Trapid ACO/Nurgatrapi rest ACO Quadrato

Nurgatrapi rest ACO Quadrato

130.56 €
Z363363
+ −
  • Tooteinfo
  • Sildid
  • Transport
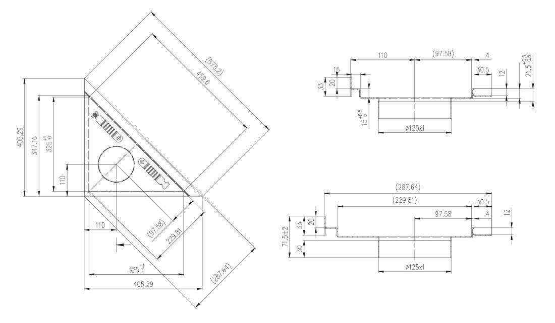
  • Rest Quadrato
  • Kolmnurksele nurgatrapile
  • Mõõdud: laius 226,3 mm, pikkus 452,5 mm
  • Aco
  • Haisuklapp
  • Haisulukk
  • Põrandatrapp
  • Trapp
+ −
Arvuta transpordi hind
Transport Lisainformatsioon Transpordi hind
Kullertransport 8.00 €

Minu konto

  • Logi sisse
  • Loo kasutajakonto

Interbauen

  • Kontaktid
  • Ettevõttest
  • Müügitingimused
  • Projektimüük
  • Järelmaks

Turvaline ostukoht Interbauen

© 2007 - 2025 Interbauen OÜ.   Interbauen - ehitusmaterjalide e-kaubamaja