Filtrid

Sorteeri hinna järgi

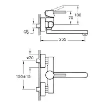
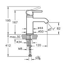
Santehnika / saun

Küsi Interbauenist pakkumist!
Hinnavõit 32%
2210.00  1499.00